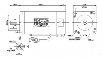
Шаговый двигатель с энкодером 86HSE12N-BC38

Количество:
Цена: 14 200 руб.
Код товара: 9949

    Шаговые сервоприводы с энкодером занимают промежуточное положение между обычным шаговым двигателем и сервоприводом. При высокой надежности и функциональности данная схема является более дешёвой и простой в эксплуатации и настройке, чем сервоприводы, реализованные на базе синхронных электродвигателей. Благодаря простоте настроек и обслуживания, а также наличию инкрементального энкодера, такой тип сервопривода отлично подходит для систем точного позиционирования как малых хобийных устройств, так и для постройки более серьезных механизмов (например станков с ЧПУ).

    Использование шагового двигателя с энкодером позволяет получать обратную связь (скорость и соответственно угловое положение), что дает возможность уйти от основных недостатков шаговых двигателей (пропуски шагов), а так же получить большую максимальную скорость и момент при работе. Более того, при использовании данного типа двигателей, повышается точность позиционирования, поскольку разрешающая способность энкодеров может достигать 1-2 тысяч импульсов на оборот, при этом положение вала двигателя контролируется “физическими” рисками на диске энкодера, нежели “аппаратно” при работе без энкодера. Еще немаловажным фактором является безопасность в ходе работы и эксплуатации оборудования с шаговыми серводвигателями. Так как положение вала двигателя постоянно отслеживается контроллером, то в нештатных ситуациях, при которых произойдет непредвиденный останов вала двигателя (например, подвижный механизм, управляемый данный двигателем, уперся в какую-либо преграду) прекратиться вращение вала двигателя и будет выдан сигнал аварии. Благодаря этому исполнительный механизм останется целым.

Энкодер:

Разъём EA+ EA- EB+ EB- VCC GND
db15 1 13 11 12 2 3

Число фаз

2

Фланец, мм

86 (NEMA 34)

Угловой шаг

1,8°

Ток, А

6

Сопротивление/ фаза, Ом

0,45

Индуктивность/фаза, мГн

5.2

Момент удержания, Н.м

12

Диаметр вала, мм

14,0

Длина двигателя (с энкодером), мм

156

Наличие энкодера

Да

Количество имп/об

1000

Рабочая температура (max), °С

80

Температура окружающей среды, °С

-20°С~+50°С

Совместим с cерводрайвером  HSS86, HBS860H, HBS86H