Стальное крепление поворотной оси

Для крепления поворотных осей на станках используются специальные пластины, обеспечивающие надежное соединение между осью и станком, стабильность при обработке. 

Стальное крепление поворотной оси подходит для поворотных осей:

Четырехкулачковая ось 100 мм + бабка 17-100-100B (волновой редуктор 100:1)

Четырехкулачковая ось 100 мм 57HS76-3004A08-D30 (5M-6-100B + rear holder)

Четырехкулачковая ось 100 мм 86HS82-4504A14-B35 (5M-4-100B + rear holder)

Четырехкулачковая ось 100 мм патрон 86HS82-4504A (5M-3-100B + rear holder)

Четырехкулачковая ось 5M-6-80B + бабка

Трехкулачковая ось 100 мм 86HS82-4504A (5M-3-100A + rear holder)

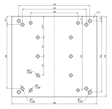
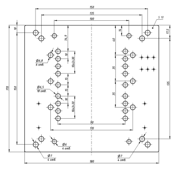
С помощью пластин можно крепится к фанере, а также к алюминиевому профилю, например, AL-30150-8 или AL-30120-8. Чертежи стальных креплений для поворотной оси и задней бабки представлены на рисунках 1 и 2.

Стальное крепление 1

Рис. 1. Переходная пластина для поворотной оси

Стальное крепление 2

Рис. 2. Переходная пластина для задней бабки