4я ось 4кл 100мм +бабка 17-100-100B (волновой редуктор 100:1)

Поворотная ось с волновым (гармоническим) редуктором применяется для прецизионной обработки заготовок из пластика, дерева, а также цветного металла.
 
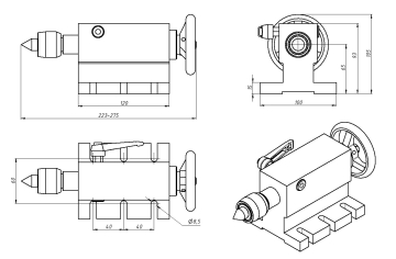
Модель 17-100-100B
Токарный патрон    K12-100
Высота центра 65 мм
Тип редуктора    гармонический (волновой)
Передаточное отношение редуктора    100:1
Люфт    < 0.05°
Макс. крутящий момент    12 Н*м
Осевая нагрузка (пиковая)    25(70) кгс
Радиальная нагрузка (пиковая)    25(70) кгс
Крутящий момент, перпендикулярный оси    40 Нм
Пиковый момент, перпендикулярный оси    80 Нм
Двигатель    2-фазный шаговый двигатель NEMA 34
Ток двигателя   4,5 А

Момент удержания  45 кгс*см