Шпиндель жидкостного охлаждения GDL120-30-24Z/6.5

 

Шпиндель с автосменой GDL120-30-24Z/6.5 — это устройство, которое используется в станках с числовым программным управлением (ЧПУ) для обработки различных материалов. Шпиндель представляет собой вращающийся вал, на который крепится инструмент (фреза, сверло и т.д.).

Преимущества шпинделей с автосменой:

Ускорение производственного процесса. Автосмена шпинделя позволяет сократить время на замену инструмента, что особенно важно при серийном производстве.

Повышение производительности. Автосмена шпинделя обеспечивает непрерывность процесса обработки, что увеличивает производительность станка.

Снижение трудозатрат. Автосмена шпинделя исключает необходимость ручного вмешательства в процесс обработки, что снижает риск ошибок и травм.

Универсальность. Шпиндели с автосменой подходят для обработки различных материалов и выполнения разнообразных операций, таких как сверление, фрезерование, точение и т.д.

Гибкость. Автосмена шпинделя позволяет быстро переключаться между различными инструментами, что обеспечивает гибкость производства и возможность быстрой перенастройки станка под новые задачи.

Точность и качество. Автосмена шпинделя способствует повышению точности обработки и качества продукции за счёт минимизации человеческого фактора.

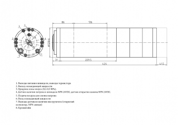
Внимание! Для нормальной работы шпинделя необходима подача сжатого воздуха для создания воздушного уплотнения, препятствующего попаданию пыли и СОЖ внутрь шпинделя. Отверстие для подачи воздуха находится в нижней части шпинделя. Воздух должен быть сухим и очищенным, точность фильтрации должна составлять 0,1 мкм. Избыточное давление воздушного уплотнения нижнего подшипника должно составлять 0,2-0,25 МПа.

Для корректной работы шпинделя с пневмоподпором рекомендуем использовать компрессор с производительностью не менее 300 л/мин.

Модель

GDL120-30-24Z/6.5

Тип двигателя

Асинхронный

Тип охлаждения

Водяное

Число фаз

3

Число полюсов

4

Напряжение питания

380 В

Максимальный ток

13,5 А

Момент

2,6 Н*м

Номинальная мощность

6,5 кВт

Скорость вращения

24000 об/мин

Частота   

800 Гц

Подшипники

2*SM6008C/P4, 2*SM6006C/P4

Смазка подшипников

Консистентная

Цанговый патрон

BT30

Диаметр шпинделя

120 мм

Вес

25 кг

Наличие пневмоподпора Да

График GDL120 30 24Z 6.5 380V curve