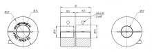
Муфта жёсткая CA-32-32-12-14

Количество:
Цена: 530 руб.
Код товара: 10088

Муфты соединительные жесткие серии CA применяются для повышения надежности соединения валов, но при этом не могут компенсировать несоосность валов и требуют монтажа большой точности.

Наименование

d1,

мм

d2,

мм

D,

мм

L,

мм

M

Момент,

Н*м

Центровка,

мм

Несоосность

Скорость, об/мин

CA-32-32-12-14 12 14 32 32 M3 10 ±0.1 0.10 8 000