Цанговый патрон резьбонарезной GS25-TER20-80L

Количество:
Цена: 3 570 руб.
Код товара: 12686

Цанговый патрон резьбонарезной GS25-TER20-80L — это устройство, которое используется для надёжного крепления режущего инструмента на фрезерных станках с числовым программным управлением (ЧПУ).

Предотвращение поломки метчика обеспечивается за счёт компенсации осевого люфта при смене направления движения.

Конструкция цилиндрического хвостовика с лыской позволяет устанавливать оснастку в державках токарных станков с ЧПУ, как в револьверных головках, так и на инструментальных столах.

Для крепления инструментов на фрезерных и сверлильных станках обычно применяют цанговый патрон. Цанги позволяют производить оперативную замену инструмента для выполнения различных типов работ в рамках одного производственного цикла.

Плюсов при использовании цанговых патронов довольно много.

  • Цанговые патроны универсальны. С их помощью можно зажимать любой инструмент с цилиндрическим хвостовиком, будь то сверло, концевая фреза или метчик.
  • Упрощается процесс смены инструмента.
  • Инструмент отлично центрируются, что обеспечивает их минимальное радиальное биение.
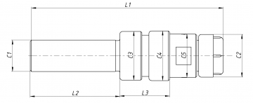
C1, мм 25
C2, мм 34
C3, мм 38,8
C4, мм 39,5
C5, мм 34,4
L1, мм 153
L2, мм 70,6
L3, мм 38,5