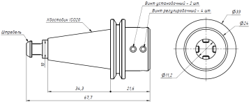
Патрон для центроискателя ISO20-D11.2

Количество:
Цена: 5 600 руб.
Код товара: 14406

Патрон предназначен для использования в качестве переходника для установки центроискателя в шпинделе.

Хвостовик – конус ISO20. В комплект входит штревель для надежной фиксации патрона в оправке.

Посадочное отверстие для центроискателя оснащено четырьмя регулировочными винтами для точной юстировки центроискателя в патроне. Для последующей фиксации центроискателя дополнительно используются два установочных винта.

Совместимый центроискатель: CP40, T-40A и аналоги
Хвостовик: ISO20
Диаметр посадочного ответстия, мм: 11,2
Наружный диаметр, мм: 33
Общая длина, мм: 67,7
В комплекте: Штревель под ключ 10 мм
Кол-во регулировочных винтов: 4
Кол-во установочных винтов: 2