SC-12L180H80-21 кулачки сырые (компл.3 шт)

Количество:
Цена: 22 140 руб.
Код товара: 14365

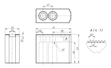
Сырые накладные кулачки SC-12L180H80-21 к гидравлическим токарным патронам. Для токарного патрона диаметром 300 мм (12"). Кулачки с зубчатой метрической рейкой. Шаг зуба рейки 1.5x60°.

Сырые (мягкие) токарные кулачки SC-12L180H80-21 легко расточить с помощью приспособления для расточки кулачков JB-12. Сырые кулачки растачивают, ориентируясь на технические параметры детали, в соответствии с формой и диаметром. Такая индивидуальная подгонка гарантирует достаточную точность центрирования и 100% перпендикулярность поверхностей.

Комплект состоит из 3 шт.

S1:

180

S2:

50

S3:

80

S4:

21

S5:

6

S6:

60

S7:

30

S8:

111

S9:

∅17 для болтов М16

S10:

39

Тип кулачка:

Сырой высокий

Вид кулачка:

Накладной

Прямой

Диаметр патрона:

300 мм (12")

Шаг зуба (N):

1,5х60⁰