Тиски станочные прецизионные GT125-150

Количество:
Цена: 31 500 руб.
Код товара: 14379

Прецизионные тиски предназначены для надежной фиксации заготовки при высокоточной обработке на станках с ЧПУ и обрабатывающих центрах. Эта модель обладает превосходными техническими характеристиками (параллельность - 0,005 мм/100 мм; перпендикулярность - 0,005 мм) и является идеальным решением для выполнения различных операций, таких как фрезерование, сверление, растачивание и шлифование. Тиски изготовлены из высококачественной легированной стали с закалкой направляющих до твердости 58-62 HRC, что обеспечивает высокую точность фиксации и длительный срок службы оснастки.

  • Тиски изготовлены из хромомарганцево-титановой легированной стали 20;
  • Точность и вертикальность в пределах 0,005 мм;
  • Параллельность 0,005 / 100 мм;
  • Перпендикулярность 0,005 мм;
  • Твердость поверхности HRC58-62.

Тиски подходят для шлифовального станка, фрезерного станка, обрабатывающего центра с ЧПУ, прецизионной обработки. 

Технические характеристики:

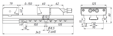
  • Ширина губок: 125 мм;
  • Габаритная длина: 345 мм;
  • Габаритная высота: 80 мм;
  • Высота губок тисков: 40 мм;
  • Ход губок: до 150 мм.