Самоцентрирующие тиски EROWA 5 (высота губок 9 мм)

Количество:
Цена: 28 400 руб.
Код товара: 9424

Фрезерные станки с числовым программным управлением (ЧПУ) являются важным инструментом в современной промышленности, обеспечивая высокую точность и эффективность обработки материалов. Одним из ключевых компонентов, обеспечивающих надежное закрепление заготовок на таких станках, являются самоцентрирующие тиски.

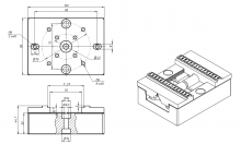
Самоцентрирующие тиски EROWA 5 (высота губок 9 мм) для фрезерных станков и обрабатывающих центров с ЧПУ, предназначены для автоматического выравнивания заготовки относительно центра тисков. Крепятся к рабочему столу или опорной плите болтами М8. Это особенно важно при обработке симметричных деталей, где требуется высокая точность позиционирования.

Внимание! Торцевой L-образный ключ в комплект не входит!

Основное отличие тисков нулевого позиционирования от обычных тисков заключается в их способности обеспечивать точное и повторяемое позиционирование заготовок с минимальными усилиями и временными затратами. Вот несколько специфических отличий:

1. Система нулевого позиционирования: Эти тиски часто оснащены системой нулевого позиционирования, которая позволяет быстро и точно устанавливать заготовки в одно и то же положение. Обычные тиски требуют ручной настройки и проверки, что занимает больше времени и может привести к ошибкам.

2. Механизмы быстрого зажима и освобождения: Тиски нулевого позиционирования обычно имеют механизмы, которые позволяют быстро зажимать и освобождать заготовки, что значительно ускоряет процесс смены деталей. Обычные тиски требуют более длительного времени на зажим и освобождение.

3. Высокая точность и повторяемость: Тиски нулевого позиционирования обеспечивают высокую точность и повторяемость установки заготовок, что критически важно для серийного производства.

4. Модульность и гибкость: Тиски нулевого позиционирования часто имеют модульную конструкцию, что позволяет легко адаптировать их под различные задачи и типы заготовок. Обычные тиски менее гибкие и требуют больше времени на перенастройку.

Эти отличия делают тиски нулевого позиционирования более подходящими для высокоточных и серийных производств, где важны скорость, точность и повторяемость.

Характеристики:

  • Габариты – 120х90 мм
  • Ширина зажима до 50мм основной плоскостью губок; Ширина зажима клиновой частью прижима от 7 до 57мм при прямом и до 100мм при обратном расположении губок
  • Удерживающая сила до 14 кН
  • Точность позиционирования – 0,03 мм
  • Материал – нержавеющая сталь.