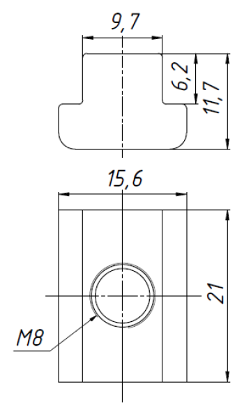
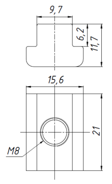
Сухарь для станочных пазов 9.7мм, 15х18х6х12мм, М8 (YT-2001) (ПАЗ 10)

Количество:
Цена: 390 руб.
Код товара: 8655

Сухарь для Т-образных станочных пазов. Шпилька М8. Шаг резьбы 1,25 мм.

Т-образные гайки – это крепёжная оснастка для металлообрабатывающих станков, позволяющая закреплять различные дополнительные элементы и конструкции на крепёж с соответствующей по диаметру и шагу резьбой. Пазовый сухарь устанавливается в станочный паз и удерживается в нём за счёт своей формы.