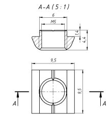
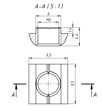
Сухарь пазовый M5-6 (тип 20, 10*9,5мм)

Количество:
Цена: 20 руб.
Код товара: 13222

Сухарь для станочного паза 6 мм с крепежной резьбой М5. 

Сухарь пазовый позволяет крепить к профилю различные дополнительные элементы и конструкции, используя болты и винты с соответствующей резьбой. Сухарь вводится в паз с торца профиля. Отличие данных элементов от Т-гаек заключается в их большей площади контакта и большей несущей способности