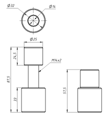
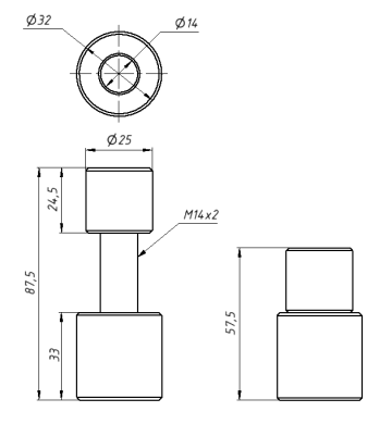
DF-50х5070 домкрат фрезерный винтовой стальной с плоской опорой(S-70)

Количество:
Цена: 1 740 руб.
Код товара: 12971

Домкрат винтовой (регулируемая подпорка) с плоской опорной поверхностью изготовлен из стали, с воронением. Предназначены такие домкраты для использования в качестве оснастки, при закреплении обрабатываемых деталей на столе фрезерного, сверлильного станка, для разметки, в качестве винтовой опоры под прихват и т.д.

Трапецеидальная резьба выдерживает высокие нагрузки, а фиксирующая гайка предохраняет винт домкрата от выкручивания.

Применение:

  • Служит для подъема закрепляемого элемента обрабатываемой детали на необходимую высоту.
  • Подкладываются под прижимы, для опоры конца, противоположного заготовке, в целях устранения перекоса и распределения давления с кромки на плоскость прижима.

Запрещается регулировать домкрат под нагрузкой!