Центроискатель индикаторный ЦИ-03 0-3мм (WL36 0-3mm)

Количество:
Цена: 12 350 руб.
Код товара: 14419

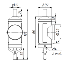
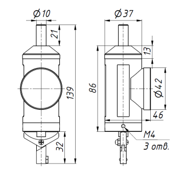
Центроискатель индикаторный предназначен для определения центра и оси симметрии деталей и заготовок. Данный измерительный инструмент позволяет определить ось симметрии для детали, которая вращается на станке в вертикальной или горизонтальной плоскости, а также определить соосность детали со шпинделем станка.

Прямой щуп 35 мм используется для обкатки отверстий деталей диаметром до 100 мм, щуп 90 мм – до 200 мм, 144 мм – до 300 мм.

Изогнутый щуп 35 мм применяется для обкатки наружного диаметра валов и деталей до 100 мм, щуп 90 мм – до 200 мм, 144 мм – до 300 мм.

Для предотвращения осевого вращения корпуса используется тормозная штанга, которая позволяет зафиксировать индикатор.

Комплектация:

  • Индикатор WL36 0-3 мм – 1 шт.;
  • Прямой щуп 3 шт. длиной: 35 мм, 90 мм, 144 мм;
  • Изогнутый щуп 3 шт. длиной: 35 мм, 90 мм, 144 мм;
  • Щуп с центральной точкой длиной 43,5 мм – 1 шт.;
  • Тормозная штанга длиной 176 мм – 1 шт.;
  • Ключ.