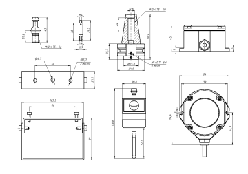
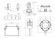
Оптический датчик-центроискатель T-40A BT30

Датчик-центроискатель T-40 предназначен для определения точных координат положения и габаритов заготовок, установленных на фрезерном станке с ЧПУ контактным способом. Датчик-центроискатель совместим различными ЧПУ системамами: Mach3, LinuxCNC, Siemens и др. Использование датчика-центроискателя T-40 повышает точность и качество обработки деталей, сокращает время обработки и снижается процент брака.

ПараметрЗначение
Конструкция беспроводной, инфракрасный
Направления поиска ±X, ± Y, -Z
Точность позиционирования 1 мкм
Максимальное отклонение по XY 12.5 мм
Максимальное отклонение по Z 6 мм
Усилие срабатывания датчика по XY 0.5...0.9 Н
Усилие срабатывания датчика по Z 5.8 Н
Скорость при измерении до 1000 об/мин
Дальность передачи 5 м
Питание 7.2 В (две батареи 1/2 AA 3.6 В)
Температура хранения -25...+70°C
Температура эксплуатации +5...+55°C
Размеры (ШхВ) 40 х 50 мм
Масса 0.26 кг
Доп. функции поддержка M-кодов