Шпиндельный серводвигатель 5,5 кВт 8000 об/м с драйвером

Шпиндельный серводвигатель 5,5кВт 8000rpm (комплект) предназначен для работы с внешним шпинделем (шпиндельной головой). Соединение осуществляется посредством ременной передачи. Подходит для использования на металлообрабатывающих фрезерных, токарных, шлифовальных и других станках.

Комплект шпиндельного сервопривода состоит из серводрайвера TH-S3a-H55F-RANF, серводвигателя 380-200M-15-80-5R5, тормозного резистора RXHG-1500W-50RJ и проводов длиной 5м для подключения силового питания и энкодера.  

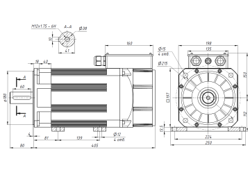
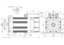
Шпиндельный серводвигатель с энкодером 380-200M-15-80-5R5 представляет собой трехфазный бесколлекторный электродвигатель с высоким КПД.

Технические характеристики серводвигателя

Модель 380-200M-15-80-5R5
Тип двигателя Асинхронный, 3-фазный
Напряжение питания 380 В
Ток 11,7 А
Номинальная мощность 5,5 кВт
Скорость вращения 1500 об/мин
Максимальная скорость вращения  8000 об/мин
Охлаждение Воздушное
Номинальный крутящий момент 35 Нм
Тип энкодера E2500 - 5 В 
Класс защиты IP55
Вес 40 кг

Серводрайвер TH-S3a-H55F-RANF c поддержкой обратной связи для асинхронных шпиндельных электродвигателей c питающим напряжением 380 В, мощностью до 5.5 кВт. Драйвер поддерживает управление PUL/DIR, CW/CCW, A/B, имеет защиту от превышения напряжения, тока, нагрузки и скорости, ошибок позиционирования, неисправности тормоза и энкодера.

Технические характеристики серводрайвера

Напряжение питания 380 В переменного тока, 3 фазы
Максимальный выходной ток  30 А
Номинальная мощность  5,5 кВт
Тип энкодера Инкрементный энкодер 2500ppr
Режимы управления 

Управление скоростью

Управление положением

Управление скоростью/положением

Ручной режим

Диапазон скоростей  1-30000 об/мин, максимальная выходная частота 1 кГц
(при замкнутом контуре регулирования скорости)
Коэффициент
настройки скорости
1-30000 об/мин, диапазон регулировок скорости при постоянной
мощности >4:1 (соответствует скорости стандартного двигателя
в пределах 1500-6000 об/мин)
Дискретность изменения скорости При изменении нагрузки от 0% до 100% дискретность изменения
скорости уменьшается (номинальная скорость  0.1%)
Диапазон напряжения

DC 0-10 В входные и выходные сигналы. 

DC -10 В ~+10 В

Интерфейс управления  PUL/DIR, CW/CCW, A/B
Управление скоростью и положением

Коэффициент умножения команд:  -32767 +32767,

Коэффициент деления команд: от 1 до 32767

Выход энкодера Дифференциальный выход (A, B, Z)
Выход сигналов состояния Готовность шпинделя, выход нулевой скорости, достижение заданного
положения/скорости, выход ошибки, завершения позиционирования
шпинделя, и т.д.
Вход сигналов управления Готовность шпинделя, CCW, CW, сброс ошибки, позиционирование
шпинделя, переключение режимов работы и т.д.
Тормозной резистор Встроенный тормозной резистор и внешний тормозной резистор
Функции панели управления 4 кнопки для просмотра состояния драйвера, настройки параметров
и выполнения других функций
Функции дисплея Пятисегментный дисплей позволяет отслеживать значения скорости,
момента, сигналов энкодера, отклонение от заданного положения, ток, выходное напряжение, состояние входов и выходов, режим управления,
код ошибки, и т.д.
Функции защиты Защита от превышения напряжения, падения напряжения, превышения
тока и нагрузки, превышения скорости, ошибки позиционирования,
неисправности тормоза или энкодера, и т.д.
Функция внутреннего задания скоростей Возможность выбора предустановленных установок скоростей
Функция позиционирования шпинделя Поддержка функций высокоскоростного перехода в точку смены
инструмента, выбора направления движения и координаты
Функция нарезки резьбы Поддержка управления интерполяцией координат осей при выполнении
нарезки резьбы и резьбовых отверстий
Скоростная функция сервопривода Усовершенствованные алгоритмы управления шпинделем
для обеспечения всех функций сервопривода

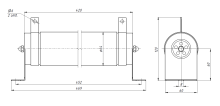
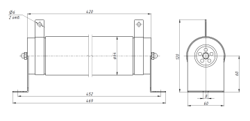
Тормозной резистор RXHG-1500W-50RJ используются в преобразователях частоты для уменьшения времени торможения асинхронного двигателя. При торможении, двигатель отдаёт энергию назад в преобразователь, т.е. работает в режиме генератора. Преобразователь пытается уменьшить напряжение, но при этом увеличивается общее время торможения, двигатель останавливается плавно.
Если требуется произвести быстрое торможение асинхронного двигателя, необходимо использовать тормозные резисторы.

Технические характеристики тормозного резистора

Мощность 1500 Вт
Сопротивление 50 Ом