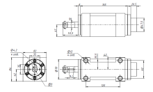
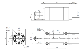
Шпиндельная головка Конус Морзе 2

Количество:
Цена: 37 120 руб.
Код товара: 3272

Шпиндель ременноприводный Конус Морзе 2 (шпиндельная головка) — отличается высокой жесткостью и износостойкостью, что делает его идеальным для обработки черных и цветных металлов, а также других материалов. Ременной привод обеспечивает плавную работу и позволяет точно регулировать скорость вращения, что важно для достижения высокого качества обработки. Благодаря своим техническим характеристикам, он обеспечивает высокую производительность и точность в различных производственных процессах.

Технические характеристики:

- Скорость обработки: до 3000 об/мин, что позволяет эффективно выполнять широкий спектр операций, от фрезерования до сверления.

- Совместимость с приводами: подходит для использования с асинхронными двигателями мощностью до 1,5 кВт, что обеспечивает гибкость в выборе оборудования и настройке производственного процесса.