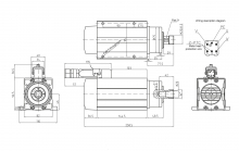
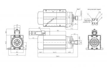
Шпиндель воздушного охлаждения GDF46-18Z/1.5 220V 18000rpm ER20

Комплект поставки:
Гайка ER20 - 1 шт
Цанга ER20 6 мм - 1 шт
Цанга ER20 4 мм - 1 шт
Цанга ER20 3,175 мм (1/8 дюйма) - 1 шт
Ответная часть разъема питания – 1 шт.

Наши шпиндели с воздушным охлаждением являются ключевым компонентом для фрезерных станков с числовым программным управлением (ЧПУ), обеспечивая высокую производительность и точность в обработке различных материалов.


Преимущества шпинделей воздушного охлаждения:


1. Шпиндели воздушного охлаждения не требуют дополнительного оборудования в отличии от систем жидкостного охлаждения, что делает их более надежными и долговечными. Они менее подвержены коррозии и загрязнению, что увеличивает срок их службы.


2. Одним из ключевых преимуществ шпинделей воздушного охлаждения является их простота в установке и обслуживании. Они легко монтируются и заменяются, а также требуют минимального технического обслуживания, что экономит время и ресурсы.


3. При работе со шпинделем с воздушным охлаждением создаваемые потоки воздуха способствуют эффективному удалению пыли, опилок и других мелких частиц, образующихся в процессе фрезерования. Это защищает внутренние компоненты шпинделя, такие как подшипники, и продлевает срок его службы.


4. Благодаря более простой конструкции и отсутствию дополнительных систем охлаждения, этот тип шпинделей является более экономичным по сравнению со шпинделями с жидкостным охлаждением.

Шпиндели воздушного охлаждения играют ключевую роль в работе фрезерных станков с числовым программным управлением (ЧПУ). Они обеспечивают высокую точность и качество обработки различных материалов, что делает их незаменимыми в современных производственных процессах.

Расчет режимов резания настольного фрезерного станка с ЧПУ с помощью программы.

Режимы резания для фрезерного станка лучше всего рассчитывать с помощью специальной программы. Например, чтобы сделать расчет скорости вращения шпинделя (n, об/мин) и минутную подачу стола нужно знать следующие исходные данные:

Zn - чисто зубьев фрезы; 

Dc - диаметр фрезы, мм;

fc - подача на зуб, мм;

Vc - скорость резания, м/мин;

n - скорость врашения шпинделя, об/мин;

ae - ширина фрезерования, мм;

ap - глубина фрезерования, мм;

F - скорость подачи стола, мм/мин;

Q - скорость снятия метала, см3/мин;

R - радиус обрабатываемого отверстия (внутренней радиусной поверхности), мм;

FR - подача при обработке отверстия с радиусом  R, мм.

1. Расчет скорости вращения шпинделя (n), а также скорости подачи стола (F), требуются такие данные: Zn - число зубьев фрезы, Dc - диаметр фрезы, fz - подача на зуб, Vc - скорость резания. Этот показатель очень тесно связан с производительностью обработки и полностью зависит от диаметра фрезы и допустимой скорости резания.

2. Далее рассчитываем Vc - скорость резания, а также fz - подача на зуб, располагая следующими исходными данными: Dc - диаметром фрезы, Zn - числом зубьев фрезы, скорость вращения шпинделя (n) и скорость подачи стола (F). 

 

3. Рассчитывается скорость снятия металла Q с помощью исходных данных: F - скорость подачи стола, ap - глубины фрезерования, ae - ширины фрезерования. 

4. Рассчитывается подача FR на радиусе R (для отверстия с внутренним радиусом) с помощью исходных данных: F - скорости подачи стола, Dc - диаметра фрезы, R - радиуса поверхности.

Модель GDF46-18Z/1.5
Тип двигателя Асинхронный
Число полюсов 2
Напряжение питания 220В
Максимальный ток 5,6А
Номинальная мощность 1,5кВт
Крутящий момент 0,8Н*м
Скорость вращения 18000 об/мин
Частота 300Гц
Охлаждение Воздушное
Тип подшипников 1x6002C P5
2x7005C P4
Смазка подшипников Консистентная
Цанговый зажим ER20
Вес 6 кг