GDF46-24Z/3.5 24000rpm ER25

Комплект поставки:
Шпиндель – 1 шт.
Гайка ER25 – 1 шт.
Цанга ER25 4 мм – 1 шт.
Цанга ER25 6 мм – 1 шт.
Цанга ER25 8 мм – 1 шт.
Ответная часть разъема питания – 1 шт.
Ключ ER25UM - 1 шт

Наши шпиндели с воздушным охлаждением являются ключевым компонентом для фрезерных станков с числовым программным управлением (ЧПУ), обеспечивая высокую производительность и точность в обработке различных материалов.


Преимущества шпинделей воздушного охлаждения:


1. Шпиндели воздушного охлаждения не требуют дополнительного оборудования в отличии от систем жидкостного охлаждения, что делает их более надежными и долговечными. Они менее подвержены коррозии и загрязнению, что увеличивает срок их службы.


2. Одним из ключевых преимуществ шпинделей воздушного охлаждения является их простота в установке и обслуживании. Они легко монтируются и заменяются, а также требуют минимального технического обслуживания, что экономит время и ресурсы.


3. При работе со шпинделем с воздушным охлаждением создаваемые потоки воздуха способствуют эффективному удалению пыли, опилок и других мелких частиц, образующихся в процессе фрезерования. Это защищает внутренние компоненты шпинделя, такие как подшипники, и продлевает срок его службы.


4. Благодаря более простой конструкции и отсутствию дополнительных систем охлаждения, этот тип шпинделей является более экономичным по сравнению со шпинделями с жидкостным охлаждением.

Шпиндели воздушного охлаждения играют ключевую роль в работе фрезерных станков с числовым программным управлением (ЧПУ). Они обеспечивают высокую точность и качество обработки различных материалов, что делает их незаменимыми в современных производственных процессах.

Расчет режимов резания настольного фрезерного станка с ЧПУ с помощью программы.

Режимы резания для фрезерного станка лучше всего рассчитывать с помощью специальной программы. Например, чтобы сделать расчет скорости вращения шпинделя (n, об/мин) и минутную подачу стола нужно знать следующие исходные данные:

Zn - чисто зубьев фрезы; 

Dc - диаметр фрезы, мм;

fc - подача на зуб, мм;

Vc - скорость резания, м/мин;

n - скорость врашения шпинделя, об/мин;

ae - ширина фрезерования, мм;

ap - глубина фрезерования, мм;

F - скорость подачи стола, мм/мин;

Q - скорость снятия метала, см3/мин;

R - радиус профиля обрабатываемой поверхности, мм;

FR - подача центра инструмента при фрезеровании с малой шириной контакта, мм.

1. Для расчета скорости вращения шпинделя (n), требуются следующие данные: Dc - диаметр фрезы, Vc - скорость резания. Этот показатель очень тесно связан с производительностью обработки и полностью зависит от диаметра фрезы и допустимой скорости резания.

2. Далее расчитывается скорость подачи стола (F), для этого требуются: Zn - число зубьев фрезы, fz - подача на зуб и n - скорость вращения шпинделя. 

3. Скорость снятия металла Q расчитывается с помощью исходных данных: F - скорость подачи стола, ap - глубины фрезерования и ae - ширины фрезерования. 

4. Расчет подачи FR при обработке поверхности с внутренним радиусом R производится с помощью исходных данных: F - скорости подачи стола, Dc - диаметра фрезы и R - радиуса обрабатываемой поверхности.

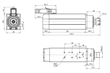
Модель

GDF46-24Z/3.5 24000rpm ER25

Тип двигателя

Асинхронный, 3-фазный

Напряжение питания

380 В

Максимальный ток

7 А

Номинальная мощность

3,5 кВт

Скорость вращения

24000 об/мин

Частота   

400 Гц

Охлаждение

Воздушное

Тип подшипников

2x7002C P4

2x7007C P4

Смазка подшипников

Консистентная

Цанговый зажим

ER25

Вес

8 кг