Шаговый двигатель с 2 валами 57HS112-4004B08

Количество:
Цена: 4 960 руб.
Нет в наличии
Код товара: 918

Главное преимущество шаговых приводов - точность. При подаче потенциалов на обмотки шаговый двигатель повернется строго на определенный угол.

Шаговый привод, как недорогая альтернатива сервоприводу, наилучшим образом подходит для автоматизации отдельных узлов и систем, где не требуется высокая динамика.

Режим дробления шага (микрошаг) реализуется при независимом управлении током обмоток шагового электродвигателя. Управляя соотношением токов в обмотках можно зафиксировать ротор в промежуточном положении между шагами. Таким образом можно повысить плавность вращения ротора и добиться высокой точности позиционирования.

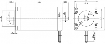
Шаговый двигатель 57HS112-4004B08
Фланец, мм 57 (NEMA 23)
Число фаз 2
Угловой шаг 1,80
Ток, А 4
Сопротивление, Ом 0,9
Индуктивность, мГн 4
Момент удержания, кг*см 28
Исполнение Вал с обеих сторон
Диаметр валов, мм 8
Подписка на товар