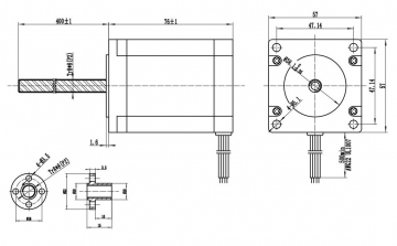
57HSL76-3004A с Tr8*8

Количество:
Цена: 9 160 руб.
Нет в наличии
Код товара: 1385

Шаговый двигатель 57HSL76-3004A с трапецеидальным винтом Tr8*8 и гайкой.

Главное преимущество шаговых приводов - точность. При подаче потенциалов на обмотки шаговый двигатель повернется строго на определенный угол.

Шаговый привод, как недорогая альтернатива сервоприводу, наилучшим образом подходит для автоматизации отдельных узлов и систем, где не требуется высокая динамика.

Режим дробления шага (микрошаг) реализуется при независимом управлении током обмоток шагового электродвигателя. Управляя соотношением токов в обмотках можно зафиксировать ротор в промежуточном положении между шагами. Таким образом можно повысить плавность вращения ротора и добиться высокой точности позиционирования.

Шаговый двигатель 57HSL76-3004A
Фланец, мм 57 (NEMA 23)
Число фаз 2
Угловой шаг 1,80
Ток, А 3
Сопротивление, Ом 0,9
Индуктивность, мГн 3,5
Момент удержания, кг*см 20
Исполнение с трапецеидальным винтом
Диаметр винта,мм 8
Шаг винта, мм 8
Длина винта, мм 400
Подписка на товар