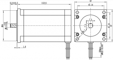
Шаговый двигатель с цилиндрическим редуктором 57HSG112-4004A (1:5)

Количество:
Цена: 9 610 руб.
Код товара: 921

Шаговые двигатели с цилиндрическим редуктором применяются в случаях, когда требуется увеличить крутящий момент без сохранения точности позиционирования. Это электродвигатели с несколькими обмотками стартера. Они управляются драйверами шагового двигателя: электроток подается в обмотки стартера по очереди и ротор фиксируется в необходимом положении.

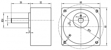
Редуктор предназначен для дробления шага двигателя. Его передаточное отношение находится в промежутке от 3 до 150. Установка происходит на фланец двигателя, монтаж на заднюю часть невозможен.

Использование редуктора на шаговом двигателе позволяет увеличить стартовый момент, что важно при высоких ускорениях и скоростях перемещения.

Шаговый двигатель 57HSG112-4004A08 (ZD-2GN5K)
Фланец, мм 57 (NEMA 23)
Число фаз 2
Угловой шаг 1,80
Ток, А 4
Сопротивление, Ом 0,9
Индуктивность, мГн 4
Момент удержания, кг*см 30
Момент удержания на вых. валу, кг*см 150
Исполнение с цилиндрическим редуктором
Передаточное число редуктора 5
Диаметр вала, мм 8