Шаговый двигатель 57HS76-3004A-098-PR10 с планетарным редуктором

Количество:
Цена: 8 180 руб.
Код товара: 12996

Шаговые двигатели с планетарным редуктором имеют хороший запас прочности, увеличивают выходной момент, а также выводят шаговый двигатель из резонансных областей вращения. Это электродвигатели с несколькими обмотками стартера. Они управляются драйверами шагового двигателя: электроток подается в обмотки стартера по очереди и ротор фиксируется в необходимом положении.

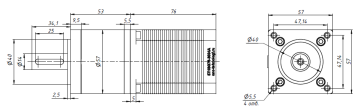
Редуктор предназначен для дробления шага двигателя. Его передаточное отношение находится в промежутке от 3 до 150. Установка происходит на фланец двигателя, монтаж на заднюю часть невозможен.

Использование редуктора на шаговом двигателе позволяет увеличить стартовый момент, что важно при высоких ускорениях и скоростях перемещения.

Шаговый двигатель 57HS76-3004A-098-PR10
Число фаз 2
Угловой шаг 1,80
Номинальный ток, А 3
Индуктивность, мГн 2,4
Сопротивление изоляции, мкВ/мин 100
Диаметр вала, мм 14
Диэлектрическая прочность 500 В переменного тока / 1 мин
Исполнение с планетарным редуктором
Передаточное отношение редуктора 10:1