86HS100-5004 для 5GU50KB

Количество:
Цена: 7 430 руб. 5 940 руб.
Код товара: 2926

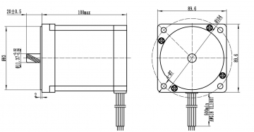
Шаговый двигатель 86HS100-5004 с обработкой вала под цилиндрический редуктор 5GU.

Шаговые двигатели с цилиндрическим редуктором применяются в случаях, когда требуется увеличить крутящий момент без сохранения точности позиционирования.

Главное преимущество шаговых приводов - точность. При подаче потенциалов на обмотки шаговый двигатель повернется строго на определенный угол.

Шаговый привод, как недорогая альтернатива сервоприводу, наилучшим образом подходит для автоматизации отдельных узлов и систем, где не требуется высокая динамика.

Режим дробления шага (микрошаг) реализуется при независимом управлении током обмоток шагового электродвигателя. Управляя соотношением токов в обмотках можно зафиксировать ротор в промежуточном положении между шагами. Таким образом можно повысить плавность вращения ротора и добиться высокой точности позиционирования.

Кол-во фаз

2

Угловой шаг

1,8

Ток, А

5

Сопротивление, Ом

0,5

Индуктивность, мГн

4

Момент, кг*см

68

Исполнение вала

Под цилиндрический редуктор