WE110M-12030S-A1G

Cервоприводы переменного тока WECON построены на базе серводвигателей с энкодером и драйвером, широко применяются в системах автоматизации, станках с ЧПУ, оборудовании производства электроники, захвата и перемещения объектов, упаковочном оборудовании и пр. Сервоприводы предназначены для производств, где требуются высокие скорости перемещения, точность и низкий уровень шума двигателя.

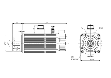
Серводвигатель с энкодером WE110M-12030S-A1G представляет собой трехфазный бесколлекторный электродвигатель с высоким КПД. 

Преимущества серводвигателей:

  • Высокая мощность при малых размерах;
  • Высокий крутящий момент;
  • Быстрый разгон и торможение;
  • Постоянное и бесперебойное отслеживание положения;
  • Низкий уровень шума, отсутствие вибраций и резонанса;
  • Широкий диапазон скорости вращения;
  • Высокая скорость разгона;
  • Точное позиционирование;
  • Стабильная работа в широком диапазоне скоростей;
  • Малая масса и компактная конструкция.

*Внимание! Провода для подключения серводвигателя в комплект не входят (см. Таблица соответствия сервопривода и кабелей)

Типоразмер, мм 110
Мощность, Вт 1200
Тип энкодера 17-бит (инкрем., магнитный, однооборотный)
Шаговые двигатели
Номинальный крутящий момент, Нм 4
Тормоз Есть
Драйвер VD2F-014SA1P
WE110M-12030S-A1G
Типоразмер 110мм
Номинальная мощность 1200Вт
Номинальное напряжение 220В
Номинальная скорость 3000об/мин
Максимальная скорость 3600об/мин
Номинальный ток
Максимальный ток 15А
Номинальный крутящий момент 4Нм
Максимальный крутящий момент 12Нм
Инерция ротора 5.4× 10-4 кг × м2
Тип энкодера 17-бит (инкрем., магнитный, однооборотный)
Степень влагозащиты IP65
Наличие тормоза Да
Напряжение тормоза 24VDC ± 10%
Мощность тормоза 15Вт
Момент удержания тормоза 8Нм
Сопротивление тормоза 48Ом
Время включения тормоза 72мс
Время отключения тормоза 87мс
Рекомендуемый драйвер

VD2F-014SA1P

Кабель двигателя P-Z4-H28J4M-10MX4-B-10 (10 метров)
Кабель энкодера E-J1394-H28K7M-10MX5-A (10 метров)
Кабель тормоза Разъем поставляется вместе с двигателем