WD80M-07530S-A1F

Cервоприводы переменного тока WECON построены на базе серводвигателей с энкодером и драйвером, широко применяются в системах автоматизации, станках с ЧПУ, оборудовании производства электроники, захвата и перемещения объектов, упаковочном оборудовании и пр. Сервоприводы предназначены для производств, где требуются высокие скорости перемещения, точность и низкий уровень шума двигателя.

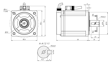
Серводвигатель с энкодером WD80M-07530S-A1F представляет собой трехфазный бесколлекторный электродвигатель с высоким КПД. 

Преимущества серводвигателей:

  • Высокая мощность при малых размерах;
  • Высокий крутящий момент;
  • Быстрый разгон и торможение;
  • Постоянное и бесперебойное отслеживание положения;
  • Низкий уровень шума, отсутствие вибраций и резонанса;
  • Широкий диапазон скорости вращения;
  • Высокая скорость разгона;
  • Точное позиционирование;
  • Стабильная работа в широком диапазоне скоростей;
  • Малая масса и компактная конструкция.

*Внимание! Провода для подключения серводвигателя в комплект не входят (см. Таблица соответствия сервопривода и кабелей)

Типоразмер, мм 80
Мощность, Вт 750
Тип энкодера 17-бит (инкрем., магнитный, однооборотный)
Шаговые двигатели
Номинальный крутящий момент, Нм 2.39
Тормоз Нет
Драйвер VD2F-014SA1P, VD2-014SA1G
WD80M-07530S-A1F
Типоразмер 80мм
Номинальная мощность 750Вт
Номинальное напряжение 220В
Номинальная скорость 3000об/мин
Максимальная скорость 6000об/мин
Номинальный ток 4.4А
Максимальный ток 13.8А
Номинальный крутящий момент 2.39Нм
Максимальный крутящий момент 7.17Нм
Инерция ротора 1.48× 10-4 кг × м2
Тип энкодера 17-бит (инкрем., магнитный, однооборотный)
Степень влагозащиты IP65
Наличие тормоза Нет
Рекомендуемый драйвер VD2F-014SA1P
Кабель двигателя

P-Z4-R4M-3MX4-D-10 (3 метра) 

P-Z4-R4M-5MX4-D-10 (5 метров)

Кабель энкодера

E-J1394-R9M-3MX5 (3 метра) 

E-J1394-R9M-5MX5 (5 метров)

Рекомендуемый драйвер VD2-014SA1G
Кабель двигателя P-Z3O1-R4M-3MX4-D (3 метра)
Кабель энкодера

E-J1394-R9M-3MX5 (3 метра)

E-J1394-R9M-5MX5 (5 метров)