WD60M-04030S-D2G с тормозом

Cервоприводы переменного тока WECON построены на базе серводвигателей с энкодером и драйвером, широко применяются в системах автоматизации, станках с ЧПУ, оборудовании производства электроники, захвата и перемещения объектов, упаковочном оборудовании и пр. Сервоприводы предназначены для производств, где требуются высокие скорости перемещения, точность и низкий уровень шума двигателя.

Серводвигатель с энкодером WD60M-04030S-D2G представляет собой трехфазный бесколлекторный электродвигатель с высоким КПД. 

Преимущества серводвигателей:

  • Высокая мощность при малых размерах;
  • Высокий крутящий момент;
  • Быстрый разгон и торможение;
  • Постоянное и бесперебойное отслеживание положения;
  • Низкий уровень шума, отсутствие вибраций и резонанса;
  • Широкий диапазон скорости вращения;
  • Высокая скорость разгона;
  • Точное позиционирование;
  • Стабильная работа в широком диапазоне скоростей;
  • Малая масса и компактная конструкция.

*Внимание! Провода для подключения серводвигателя в комплект не входят (см. Таблица соответствия сервопривода и кабелей)

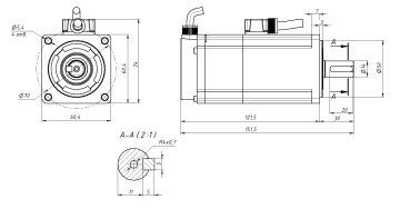
Типоразмер, мм 60
Мощность, Вт 400
Тип энкодера 23-бит (абсолютн., оптический)
Шаговые двигатели
Номинальный крутящий момент, Нм 1.27
Тормоз Есть
Драйвер VD2-010SA1G, VD2F-010SA1P
WD60M-04030S-D2G
Типоразмер 60мм
Номинальная мощность 400Вт
Номинальное напряжение 220В
Номинальная скорость 3000об/мин
Максимальная скорость 6000об/мин
Номинальный ток 2.5А
Максимальный ток 8.4А
Номинальный крутящий момент 1.27Нм
Максимальный крутящий момент 3.81Нм
Инерция ротора 0.62× 10-4 кг × м2
Тип энкодера 23-бит (абсолютн., оптический)
Степень влагозащиты IP65
Наличие тормоза Да
Напряжение тормоза 24VDC ± 10%
Мощность тормоза 7.3Вт
Момент удержания тормоза 1.52Нм
Сопротивление тормоза 78.9Ом
Время включения тормоза 20мс
Время отключения тормоза 50мс
Рекомендуемый драйвер VD2-010SA1G
Кабель двигателя

P-Z3O1-R4M-3MX4-D (3 метра)

Кабель энкодера

E-J1394-R9M-3MX7-A1 (3 метра)

Кабель тормоза

P-O2-R2M-3MX2-D (3 метра)

P-O2-R2M-5MX2-D (5 метров)

Рекомендуемый драйвер VD2F-010SA1P
Кабель двигателя

P-Z4-R4M-3MX4-D-10 (3 метра)

P-Z4-R4M-5MX4-D-10 (5 метров)

Кабель энкодера E-J1394-R9M-3MX7-A1 (3 метра)
Кабель тормоза

P-O2-R2M-3MX2-D (3 метра)

P-O2-R2M-5MX2-D (5 метров)