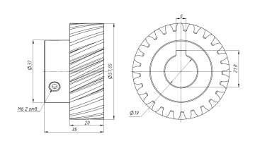
Шестерня косозубая M2-Z25-D19

Количество:
Цена: 1 120 руб.
Код товара: 14128

Шестерня косозубая со шпонпазом и стопорными винтами. Используется совместно с зубчатыми рейками для создания линейных передач станков и различных механизмов.

Технические характеристики

Модуль: m-2

Количество зубьев: Z-25

Диаметр посадочного отверстия: 19 мм

Материал: сталь 45

Твердость: 40 HRC

Угол наклона зубьев: 19°31’42” (19.5283°).