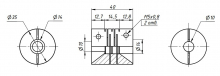
Муфта LTC-35-40-10-14

Количество:
Цена: 1 310 руб.
Код товара: 10267

Разрезные муфты серии LTC — это цельные устройства без каких-либо подвижных деталей, обладающие небольшими поперечными разрезами в корпусе. Такие разрезы предоставляют муфте возможность изгибаться, благодаря чему муфта может компенсировать несоосность валов двигателя.

d1, ммd2, ммD, ммL, ммМ

Ном. момент, Н*м

Макс. момент, Н*м

Центровка, ммНесоосностьСкорость, об/мин
10 14 35 40 М5 3 6 ±0,05 0,5° 14000