SK50-NBH2084 Чистовая расточная система (набор)

Количество:
Цена: 32 650 руб.
Код товара: 16685

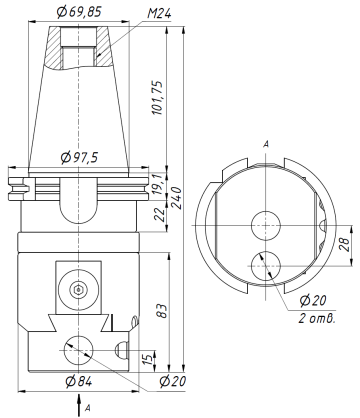
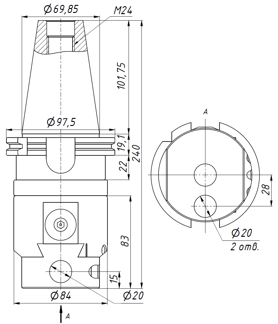
Расточная система предназначена для чистового растачивания отверстий диаметром от 8 до 280 мм, применяется на станках фрезерной, сверлильной и расточной группы (включая оборудование с ЧПУ). Набор состоит из фрезерного патрона с хвостовиком SK50, расточной головки NBH2084, расточных державок SBJ (8 шт) и комплекта ключей. Диаметр хвостовиков державок 20 мм. В зависимости от типа державки используются твердосплавные пластины TBGT или TBGH. Державки SBJ надежно фиксируются в корпусе расточной головки при помощи шестигранного болта. Микрометрическая расточная головка NBH2084 снабжена регулировочным винтом со шкалой и позволяет перемещать режущий инструмент с шагом 0,005 мм, максимально точно (до 0,01 мм) устанавливать необходимый диаметр растачивания.

Технические характеристики:

Тип хвостовика: SK50

Диапазон расточки, мм: 8-280

Длина хода, мм: 28

Глубина расточки, мм: 53-115

Точность, мм: 0,01

Скорость резания:

Углеродистая сталь: 100-200 м/мин

Нержавеющая сталь: 70-140 м/мин

Чугун: 70-140 м/мин

Алюминий: 150-300 м/мин

Максимальная скорость вращения 1600 об/мин.

Внимание!!! Твердосплавные пластины и штревельный болт SK-50 в комплект не входят 

Обозначение

Диапазон расточки

Подходящие пластины

Винт/Ключ

Патрон фрезерный BT50 для крепления расточной головки

Расточная головка NBH2084

08-280 мм

Державка SBJ2008-32L

8-11 мм

TBGT060102, TBGT060104, TBGT060102L, TBGT060104L

М2х5/T6

Державка SBJ2010-40L

10-13 мм

TBGT060102, TBGT060104, TBGT060102L, TBGT060104L

М2х5/T6

Державка SBJ2012-53L

12-17 мм

TGGT09020Х, TPGH090202L, TPGH090204L

М2.5х6/Т8

Державка SBJ2016-68L

16-21 мм

TPGH090202, TPGH090204, TPGT09020Х, TPGH090202L, TPGH090204L

М2.5х6/Т8

Державка SBJ2020-83L

20-130 мм

TPGT11030Х, TPGH110302, TPGH110304, TPGH110302L, TPGH110304L

M3х7/T8

Державка SBJ2025-83L

25-135 мм

TPGT11030Х, TPGH110302, TPGH110304, TPGH110302L, TPGH110304L

M3х7/T8

Державка SBJ2030-115L

30-140 мм

TPGT11030Х, TPGH110302, TPGH110304, TPGH110302L, TPGH110304L

M3х7/T8

Державка SBJ20-20-100L

120-280 мм

TPGT11030Х, TPGH110302, TPGH110304, TPGH110302L, TPGH110304L

M3х7/T8

Шестигранный ключ H4

Шестигранный ключ H6

Ключ Т8

Ключ Т10