Распылитель масляного тумана YS-BPV-3000 -400mm жесткий

Количество:
Цена: 3 830 руб.
Код товара: 14504

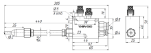
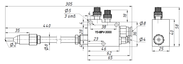
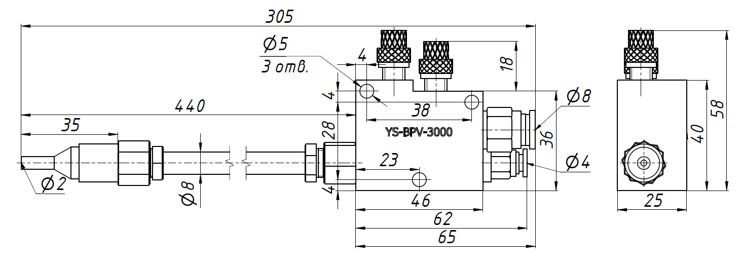
Распылитель масляного тумана c медной трубкой предназначен для формирования и распыления в области обработки мелкодисперсной смеси из масла и воздуха в станках ЧПУ. На распылителе установлены штуцеры (трубка 8 мм) для подачи сжатого воздуха и масла (трубка 4 мм), а также краны-регуляторы для точного управления подачей смеси.

Медная трубка обладает пластичностью, что позволяет удобно настроить положение сопла над инструментом. Также благодаря своей жёсткости она надёжно удерживает это сопло в одном положении, и оно не смещается от вибраций во время работы станка.

Распылитель масляного тумана

YS-BPV-3000

Диаметр входа под воздух

8 мм

Диаметр входа под СОЖ

4 мм

Диапазон давления

5-7 кг/см2

Диапазон вязкости

0-68 cSt

Тип наружного шланга

Жесткий

Длина шланга

400 мм