Распылитель масляного тумана двойной YS-BPV-3000-P гибкий пластик

Количество:
Цена: 2 960 руб.
Код товара: 14501

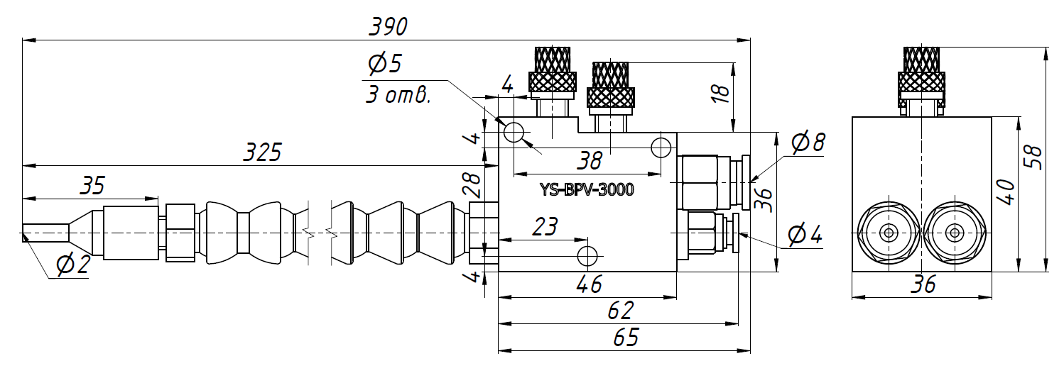
Распылитель масляного тумана c двойной пластиковой трубкой предназначен для формирования и распыления в области обработки мелкодисперсной смеси из масла и воздуха в станках ЧПУ. На распылителе установлены штуцеры (трубка 8 мм) для подачи сжатого воздуха и масла (трубка 4 мм), а также краны-регуляторы для точного управления подачей смеси.

Распылитель масляного тумана

YS-BPV-3000

Диаметр входа под воздух

8 мм

Диаметр входа под СОЖ

4 мм

Диапазон давления

5-7 кг/см2

Диапазон вязкости

0-68 cSt

Тип наружного шланга

Гибкий пластиковый

Длина шланга

325 мм