Пневмораспределитель 3H210-06 с ручным управлением

Количество:
Цена: 980 руб.
Код товара: 12813

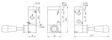
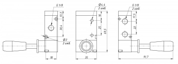
Пневмораспределитель 3H210-06 ручного типа служит для управления направлением движения потоков сжатого воздуха. Управление осуществляется за счет переключения схемы соединения внутренних каналов распределителя с входными и выходными присоединительными отверстиями.

Технические характеристики:

Рабочая среда: воздух (тонкость очистки – 40 мкм)

Тип распределителя: трехлинейный двухпозиционный 3/2, нормально закрытый

Тип управления: ручное

Рабочее давление: 0,15...0,8 МПа

Рабочая температура: −20...70°C

Присоединение: вход-выход - 1/8", выпуск - 1/8"