Алюминиевое крепление поворотной оси Тип-2 (AL-30150-8)

Количество:
Цена: 13 000 руб.

Для крепления поворотных осей на станках используются специальные пластины, обеспечивающие надежное соединение между осью и станком, стабильность при обработке. 

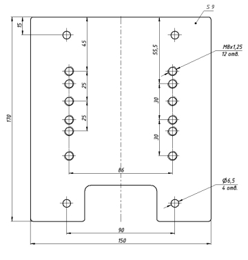
Алюминиевое крепление «Тип2» подходит для алюминиевого профиля AL-30150-8 чертеж, которого показан на рисунке 1.

 AL 30150 8

Рис. 1. AL-30150-8

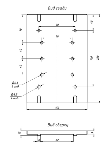
Чертежи крепления для поворотной оси и задней бабки представлены на рисунках 2 и 3.

Алюминиевое крепление Тип 2 2

Рис. 2. Переходная пластина для поворотной оси

Алюминиевое крепление Тип 2 1

Рис. 3. Переходная пластина для задней бабки

Крепление «Тип2» подходит для поворотных осей:

ID 314

4я ось 100мм патрон 4кл. 86HS82-4504A (5M-3-100B+rear holder)