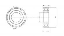
Подшипник шпинделя H7004CTA-2RZ DBP4 (2 шт. в комплекте)

Количество:
Цена: 4 820 руб.
Код товара: 9322

Однорядные радиально-упорные шарикоподшипники, высокоточные.

Угол контакта 15 градусов – C.

Двухстороннее уплотнение малого трения – RZ. Точность P4.

Спаренные для монтажа по О-образной схеме - DB

Текстолитовый сепаратор, центрируемый по наружному кольцу – TA

Технические характеристики:

  • Обозначение – H7004CTA
  • Материал подшипника – Gcr15
  • Размеры – 20х42х12 мм