Прижимной пневмоцилиндр ACKR63X90

Количество:
Цена: 9 010 руб. 7 700 руб.
Нет в наличии
Код товара: 11956

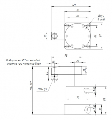
Пневматический зажимной цилиндр ACKR63X90, c одинарным поворотом, двойного действия: нажимной и поворотный (вправо).

Пневмоцилиндры вращающиеся зажимные предназначены для установки в металлорежущих станках в качестве привода механизированных патронов. Для предотвращения падения давления в полостях цилиндра, при внезапном падении давления в сети, в пневмоцилиндр встроены пневматические клапаны, автоматически отключающие полости цилиндра от сети и обеспечивающие поддержание силы зажим детали в патроне до остановки вращения шпинделя станка.

Конструкция направляющей с тремя пазами обеспечивает высокую точность направляющей.

Материал поршневого штока изготовлен из специальной высокопрочной стали, которая после термической обработки имеет более длительный срок службы. Материал уплотнений гарантирует надежную работу цилиндра, который используется в различных условиях.

Технические характеристики:

Модель

ACKR63X90

Диаметр штока

20 мм

Ход цилиндра

29 мм

Угол поворота

90°

Рабочая среда

воздух (тонкость очистки – 40 мкм)

Действие

двойное

Направление вращения

вправо

Диапазон рабочего давления

0,15 ~ 1,0 МПа

Развиваемое усилие 280,3 - 2803 Н

Присоединение

G 1/8

Рабочая температура

−20…80°C

Допустимое отклонение хода

+ 1,0

Погрешность угла вращения

± 1,5°
Подписка на товар