Прижимной пневмоцилиндр ACKL40X90

Количество:
Цена: 5 930 руб.
Код товара: 11954

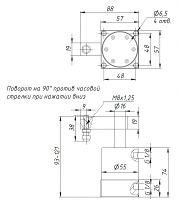
Пневматический зажимной цилиндр ACKL40X90, c одинарным поворотом, двойного действия: нажимной и поворотный (влево).

Пневмоцилиндры вращающиеся зажимные предназначены для установки в металлорежущих станках в качестве привода механизированных патронов. Для предотвращения падения давления в полостях цилиндра, при внезапном падении давления в сети, в пневмоцилиндр встроены пневматические клапаны, автоматически отключающие полости цилиндра от сети и обеспечивающие поддержание силы зажим детали в патроне до остановки вращения шпинделя станка.

Конструкция направляющей с тремя пазами обеспечивает высокую точность направляющей.

Материал поршневого штока изготовлен из специальной высокопрочной стали, которая после термической обработки имеет более длительный срок службы. Материал уплотнений гарантирует надежную работу цилиндра, который используется в различных условиях.

Технические характеристики:

Модель

ACKL40X90

Диаметр штока

16 мм

Ход цилиндра

27 мм

Угол поворота

90°

Рабочая среда

воздух (тонкость очистки – 40 мкм)

Действие

двойное

Направление вращения

влево

Диапазон рабочего давления

0,15 ~ 1,0 МПа

Развиваемое усилие 105,6 - 1055,6 Н

Присоединение

G 1/8

Рабочая температура

−20…80°C

Допустимое отклонение хода

+ 1,0

Погрешность угла вращения

± 1,5°