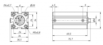
Пневмоцилиндр SDA 20x50

Количество:
Цена: 1 150 руб.
Код товара: 12820

Пневматический цилиндр SDA 20x50 – это пневмоцилиндры двустороннего действия с односторонним штоком. Предназначены для преобразования энергии сжатого воздуха в механическое линейное перемещение в пневматических системах. Небольшие габариты пневмоцилиндров дают возможность применять их при создании компактных узлов оборудования.

Технические характеристики:

Модель

SDA 20x50

Диаметр поршня

20 мм

Ход цилиндра

50 мм

Рабочая среда

воздух (тонкость очистки – 40 мкм)

Действие

двухстороннее

Диапазон рабочего давления

0,1-1 МПа

Развиваемое усилие 31,4 - 314,2 Н

Присоединение

G1/8"

Демпфирование

Демпферная шайба

Рабочая температура

−5…70°C