Пневмоцилиндр MAL 25x100

Количество:
Цена: 1 250 руб.
Код товара: 12817

Серия MAL – это пневмоцилиндры двустороннего действия с односторонним штоком. Предназначены для преобразования энергии сжатого воздуха в механическое линейное перемещение в пневматических системах.

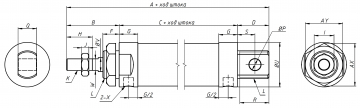
Диаметр, мм Размеры, мм
A B C D F G H I J K M
25 135 44 70 21 14 16 22 17 6 М10×1.25 12
Диаметр, мм Размеры, мм
Q P R S U V W X AX AY L
25 16 8 20 12 33 10 8 G⅛" 33 29 М22×1.5

Технические характеристики:

Модель

MAL 25x100

Диаметр поршня

25 мм

Ход штока

100 мм

Рабочая среда

воздух (тонкость очистки – 40 мкм)

Действие

двухстороннее

Диапазон рабочего давления

0,1-0,9 МПа

Развиваемое усилие 49,1 - 441,8 Н

Присоединение

G1/8"

Рабочая температура

−5…70°C