Пневмоцилиндр MAL 20x25

Количество:
Цена: 950 руб.
Код товара: 12815

Серия MAL – это пневмоцилиндры двустороннего действия с односторонним штоком. Предназначены для преобразования энергии сжатого воздуха в механическое линейное перемещение в пневматических системах.

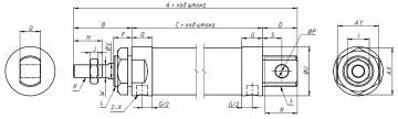
Диаметр, мм Размеры, мм
A B C D F G H I J K M
20 131 40 70 21 12 16 20 12 6 М8×1,25 10
Диаметр, мм Размеры, мм
Q P R S U V W X AX AY L
20 16 8 20 12 29 8 6 G⅛" 33 29 М22×1.5

Технические характеристики:

Модель

MAL 20x25

Диаметр поршня

20 мм

Ход штока

25 мм

Рабочая среда

воздух (тонкость очистки – 40 мкм)

Действие

двухстороннее

Диапазон рабочего давления

0,1-0,9 МПа

Развиваемое усилие 31,4 - 282,7 Н

Присоединение

G1/8"

Рабочая температура

−5…70°C