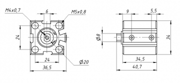
Пневмоцилиндр короткоходный SDA 20-15

Количество:
Цена: 670 руб.
Код товара: 12361

Пневматический цилиндр SDA 20x15 – это пневмоцилиндры двустороннего действия с односторонним штоком. Предназначены для преобразования энергии сжатого воздуха в механическое линейное перемещение в пневматических системах.. Небольшие габариты пневмоцилиндров дают возможность применять их при создании компактных узлов оборудования.

Материал - алюминий, легированная сталь.

Диапазон скоростей 50-800 мм/c
Тип штока Односторонний
Конец штока Внутренняя резьба M4х0.7
Монтажные отверстия Внутренняя резьба M5х0.8
Ход поршня 15 мм
Диаметр поршня 20 мм
Диапазон рабочего давления 0.1-0.9 МПа
Развиваемое усилие 31,4 - 282,7 Н 
Максимальное давление
1.35 МПа
Исполнение Двухстороннего действия
Рабочая среда воздух (тонкость очистки – 40 мкм)
Рабочая температура -10 ~ 80° С
Демпфирование Демпферная шайба
Присоединение M5
Определение позиции Нет