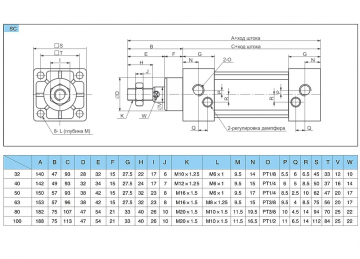
Пневматический цилиндр SC 63x400

Количество:
Цена: 5 500 руб.
Код товара: 5793

Пневматический цилиндр серии SC– это пневмоцилиндры двустороннего действия с односторонним штоком. Предназначены для преобразования энергии сжатого воздуха в механическое линейное перемещение в пневматических системах.

Технические характеристики:

Модель

SC 63x400

Диаметр поршня

63 мм

Ход цилиндра

400 мм

Рабочая среда

воздух (тонкость очистки – 40 мкм)

Действие

двухстороннее

Диапазон рабочего давления

0,1-1 МПа

Развиваемое усилие 311,7 - 3117,2 Н

Диапазон скорости

30-800 мм/с

Присоединение

G3/8"

Демпфирование

21 мм

Рабочая температура

−5…70°C