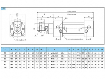
Пневматический цилиндр SC 32x100

Количество:
Цена: 1 450 руб. 1 380 руб.
Код товара: 1048

Пневматический цилиндр серии SC– это пневмоцилиндры двустороннего действия с односторонним штоком. Предназначены для преобразования энергии сжатого воздуха в механическое линейное перемещение в пневматических системах.

Технические характеристики:

Модель

SC 32x100

Диаметр поршня

32 мм

Ход цилиндра

100 мм

Рабочая среда

воздух (тонкость очистки – 40 мкм)

Действие

двухстороннее

Диапазон рабочего давления

0,1-1 МПа

Развиваемое усилие 80,4 - 804,2 Н

Диапазон скорости

30-800 мм/с

Присоединение

G1/8"

Демпфирование

21 мм

Рабочая температура

−5…70°C