Пневматический цилиндр SC 100x150

Количество:
Цена: 6 500 руб.
Код товара: 6498

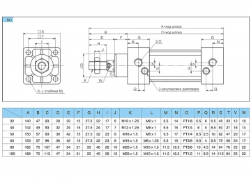
Серия SC – это пневмоцилиндры двустороннего действия с односторонним штоком. Предназначены для преобразования энергии сжатого воздуха в механическое линейное перемещение в пневматических системах.

Модель

SC 100x150

Диаметр поршня

100 мм

Ход цилиндра

150 мм

Рабочая среда

воздух (тонкость очистки – 40 мкм)

Действие

двухстороннее

Диапазон рабочего давления

0,1-1 МПа

Развиваемое усилие 785,4 - 7854 Н

Диапазон скорости

30-800 мм/с

Присоединение

G1/2"

Рабочая температура

−20…80°C