Пневматический цилиндр MAL32*100

Количество:
Цена: 1 560 руб.
Код товара: 6972
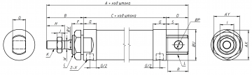
Диаметр, мм Размеры, мм
A B C D F G H I J K M
32 141 44 70 27 14 16 22 17 6 М10×1,25 12
Диаметр, мм Размеры, мм
Q P R S U V W X AX AY L
32 16 10 25 15 39,5 12 10 G⅛" 37 32 М24×2

Серия MAL – это пневмоцилиндры двустороннего действия с односторонним штоком. Предназначены для преобразования энергии сжатого воздуха в механическое линейное перемещение в пневматических системах.

Технические характеристики:

Модель

MAL 32x100

Диаметр поршня

32 мм

Ход штока

100 мм

Рабочая среда

воздух (тонкость очистки – 40 мкм)

Действие

двухстороннее

Диапазон рабочего давления

0,1-0,9 МПа

Развиваемое усилие 80,4 - 723,8 Н

Присоединение

G1/8"

Рабочая температура

−5…70°C