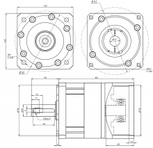
Планетарный редуктор PLF-120-5-S2-P2

Количество:
Цена: 48 130 руб.
Код товара: 3136

Планетарный прецизионный редуктор PLF-120-5-S2-P2 для серводвигателя. Данная серия обладает высокими КПД и точностью, а также малым люфтом. Ресурс редуктора составляет около 20000 часов.

Идеально подходят при построении передач рейка - шестерня, также применяются в поворотных осях, в роботах - манипуляторах, в тяжело нагруженных приводах ШВП металлообрабатывающих станков и т.д.

Модель

PLF-120-5-S2-P2

Тип редуктора

планетарный

Фланец

120 мм

Входное отверстие

22 мм

Передаточное отношение

1:5

Крутящий момент выходного вала

280 Н*м

Номинальная скорость вращения

3000 об/мин

Максимальная скорость вращения

6000 об/мин

Люфт

6-12 угл.мин (0,1-0,2 градуса)

КПД

97%