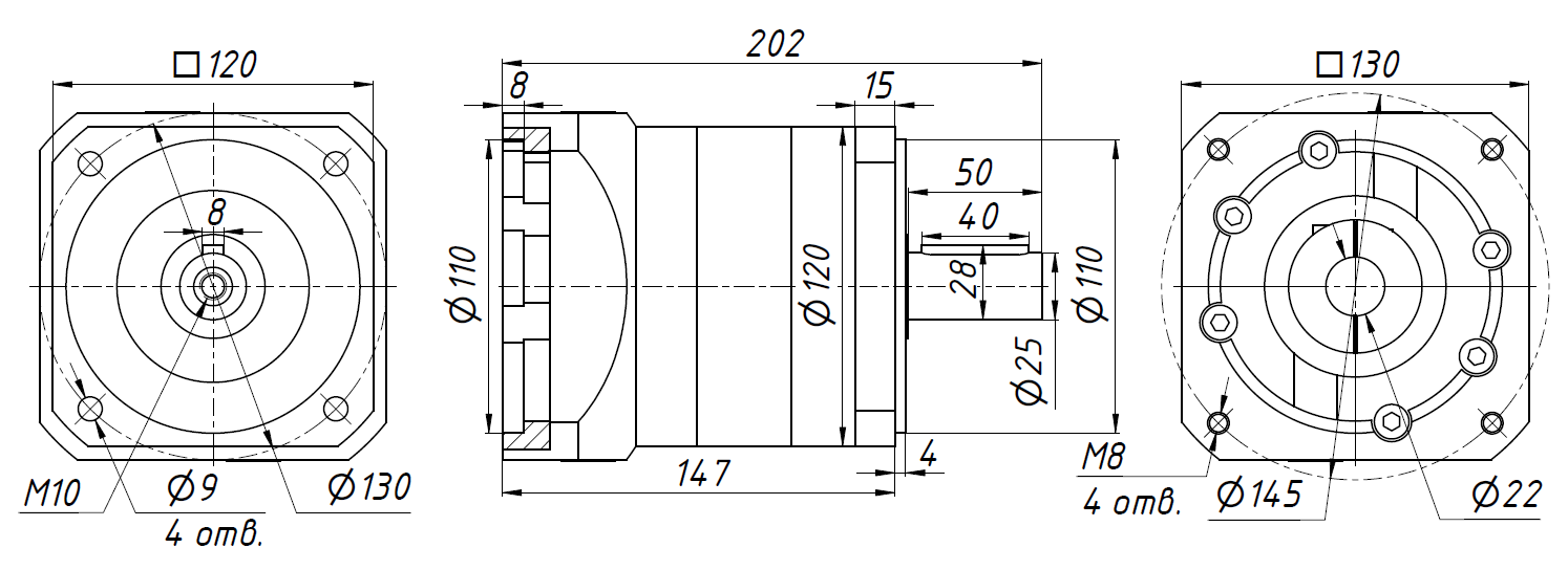
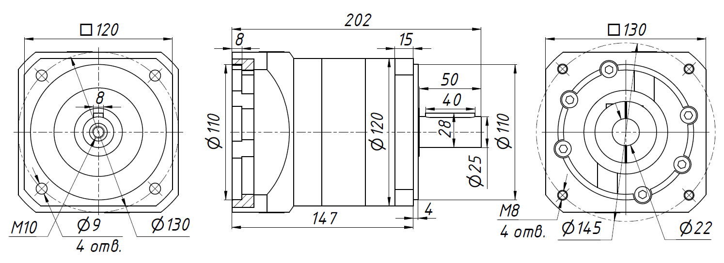
Планетарный Редуктор для серводвигателя PGE120-L1-22-55-110-145-M8 (25mm) 1:10

Количество:
Цена: 29 500 руб.
Код товара: 15922

Планетарный редуктор с квадратным монтажным фланцем серии PGE.
Данная серия обладает высокими КПД и точностью, а также малым люфтом.
Применяются для построения осей в приводах и станках с ЧПУ, в модулях линейных перемещений и другом оборудовании.

Заводская смазка расчитана на весь срок службы редуктора.

Передаточное отношение:

10:1

Входной фланец, мм:

130х130

Выходной фланец, мм:

120х120

Диаметр отверстия под вал двигателя, мм:

22

Диаметр выходного вала, мм:

25

Шпонка выходного вала, мм:

8х7

Крутящий момент выходного вала, Н*м:

210

Номинальная частота вращения, об/мин:

3000

Радиальная нагрузка, Н:

3380

Осевая нагрузка, Н:

2930

Люфт, угловых минут:

≤7

Сопротивление кручению, Н*м/угл. мин:

15,5

Наработка на отказ, часов:

20000

КПД, %:

96

Масса, кг:

7,3

Рабочая температура, ⁰С:

-10~+90

Степень защиты оболочки:

IP65

Уровень шума, дБ:

65