Планетарный редуктор DH060-L1-5-S-P2 (5:1)

Количество:
Цена: 15 600 руб.
Нет в наличии
Код товара: 7214

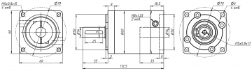
Планетарный редуктор с крепежным фланцем серии DH. Данная серия обладает высокими КПД и точностью, а также малым люфтом. Применяются для построения осей в станках с ЧПУ, в модулях линейных перемещений, ЧПУ приводах и другом оборудовании. Передаточное отношение редуктора 5:1.

Модель

DH60

Тип редуктора

планетарный

Передаточное отношение

5:1

Номинальный момент выходного вала

 28 Н*м

Максимальный момент выходного вала  56 Н*м
Номинальная входная скоротсь вращения  3000 об/мин
Максимальная входная скоротсь вращения 8000 об/мин
Максимальное радиальное усилие 400Н
Максимальное осевое усилие 300Н
КПД Не менее 96%
Степень защиты IP65
Рабочая среда -25⸰С ⁓ +90⸰С
Подписка на товар