Планетарный прецизионный редуктор PGH-90-10-S2-P1

Количество:
Цена: 28 110 руб.
Код товара: 12430

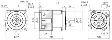
Прецизионный планетарный редуктор с передаточным числом 10, номинальный передаваемый момент 95 Нм, люфт менее 4 угловых минут.

Технические характеристики:

Номинальная скорость вращения   4000 об/мин
Максимально допустимая скорость вращения   8000 об/мин
Номинальный крутящий момент   95 Нм
Момент инерции масс J   0,58 кг см2
Наличие шпонки на валу   имеется
Степень защиты   IP65
уровень шума   60 дБ
Посадочный размер   не более 18 мм
Диаметр вала   22 мм
типа вала редуктора   цилиндрический вал
Максимально допустимая радиальная нагрузка на расстоянии 10 мм от конца вала   2780 Н
Максимально допустимая осевая нагрузка   1870 Н
Передаточное число   10
КПД   97 %
Режим работы   непрерывный
Люфт   менее 4 угловых минут
Торсионная жесткость   12 Н·м/угл.мин
Температура рабочая -10...90 °C
Длина 148 мм
Ширина 90 мм
Высота 90 мм