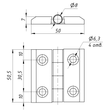
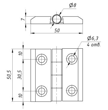
Петля алюминиевая 30/30 (50*50мм)

Количество:
Цена: 240 руб.
Код товара: 13287

Петля для алюминиевого профиля 3030 используются для навески дверей, лючков в модульной системе алюминиевых конструкционных станочных профилей.